蒸壓加氣混凝土砌塊設備規范及要點帶圖片說明
作者: 來源: 時間:2013-07-08 11:05:29 點擊次數:10910
砌塊是用鈣質材料(如水泥、石灰)和硅質材料(如砂子、粉煤灰、礦渣)的配料中加入鋁粉作加氣劑,經加水攪拌、澆注成型、發氣膨脹、預養切割,再經高壓蒸汽養護而成的多孔硅酸鹽砌塊。
3.1 蒸壓加氣混凝土砌塊的使用范圍
3.1.1 蒸壓加氣混凝土砌塊適用于各類建筑地面(±0.000)以上的內外填充墻和地面以下的內填充墻(有特殊要求的墻體除外)。
3.1.2 蒸壓加氣混凝土砌塊不應直接砌筑在樓面、地面上。對于廁浴間、露臺、外陽臺以及設置在外墻面的空調機承托板與砌體接觸部位等經常受干濕交替作用的墻體根部,宜澆筑寬度同墻厚、高度不小于0.2m的C20素混凝土墻墊;對于其它墻體,宜用蒸壓灰砂磚在其根部砌筑高度不小于0.2m的墻墊。
3.1.3 蒸壓加氣混凝土砌塊不得使用在下列部位:
1 建筑物±0.000以下(地下室的室內填充墻除外)部位;
2 長期浸水或經常干濕交替的部位;
3 受化學侵蝕的環境,如強酸、強堿或高濃度二氧化碳等的環境;
4 砌體表面經常處于80℃以上的高溫環境;
5 屋面女兒墻。
3.2 蒸壓加氣混凝土砌塊和砂漿
用于外墻的蒸壓加氣混凝土砌塊,強度級別不宜小于A7.5、不應小于A5.0,干密度級別不宜小于B07,也不宜大于B08。用于外墻的砌筑砂漿強度級別不應小于M7.5。用于內墻的砌筑砂漿強度級別、蒸壓加氣混凝土砌塊的強度級別和干密度級別宜與外墻相同。內外墻的砌筑砂漿強度級別不應低于砌塊的強度級別。砌筑砂漿、找平砂漿、飾面磚粘結砂漿和涂料面層的抹面砂漿應選用保水、專用砂漿,性能指標符合表2.3.2、2.3.3-1~2.3.3-3的要求。
3.3 模數
平面模數宜采用2M(0.2m),特殊情況可用1M(0.1m);豎向模數、墻體的分段凈長度及門窗洞口的寬度與高度尺寸宜以1M為模數。
3.4 窗間墻
窗間墻的長度宜為0.3m的倍數且不宜小于0.6m。
3.5 空調機、防盜網、遮陽罩等重物以及重型門的固定安裝
3.5.1 空調機、防盜網、遮陽罩等重物的固定安裝應在建筑平面、立面設計中統一考慮。
3.5.2窗式或分體式空調機應采用現澆或預制混凝土板承托固定。防盜網、遮陽罩應利用框架梁、過梁、陽臺梁等混凝土構件固定安裝。不得直接在砌體上安裝吊掛空調機等重物。
3.5.3 重型門的固定安裝應作專門設計。
3.6 砌體抗裂設計要點
3.6.1 下列部位宜設置構造柱或抗裂柱(以下統稱抗裂柱),抗裂柱的平面位置應在結構平面圖中表示出來:
1 寬度大于2m的洞口兩側;
2 廠房門、車房門、安全門以及洞口寬度大于1.5m的重型門兩側;
3 墻長大于5m時,每隔不超過5m的部位;
4 支承于懸臂梁、懸臂板上的砌體,如圖3.6.1所示;
5 窗間墻長度小于0.6m且其側向無墻處;
6 設計需要加強的部位。
圖3.6.1 支承于懸臂梁、懸臂板上的砌體設置抗裂柱示意
3.6.2 兼有其它功能的抗裂柱應作專門設計。常規抗裂柱的設計及施工宜符合下列要求:
1 抗裂柱截面不宜大于墻厚×0.2m、或墻厚×窗間墻長度。拉結筋設置同結構柱,縱筋不小于4φ12,縱筋中心間距不大于0.2m,縱筋搭接長度不小于0.6m,上下樓層交接處縱筋應連續貫通,端部進入基礎梁或屋面梁的錨固長度各不小于0.5m,箍筋φ6@200,縱筋搭接范圍內箍筋間距減半。
2 抗裂柱的混凝土應分段澆筑。上段柱的混凝土強度等級同結構柱并與結構柱一齊澆筑,下段柱的混凝土應待上層抗裂柱的上段柱澆筑完畢后再澆筑,混凝土強度等級不宜小于C20,如圖3.6.2所示。下段柱的進料口宜留在有砌體一側,混凝土澆筑高度比上段柱柱底高0.1m,砌塊鋸成相應形狀與其砌結,露出砌體部分應待澆筑7d后再鑿除。
圖3.6.2 抗裂柱模板安裝、鋼筋安裝及分段澆筑混凝土示意
3 支承在懸臂板上的抗裂柱,與梁同標高部位應與梁同時安裝模板、鋼筋和澆筑混凝土,如圖3.6.1節點①、②所示。
3.6.3 墻高每隔1.4~1.5m處宜沿砌體設置通長的鋼筋砂漿帶,截面寬同墻厚、高宜為40mm,砌體寬度不大于0.15m時配2φ10縱筋、大于0.15m時配3φ10縱筋,橫向配φ6@300 筋;砂漿的品種、性能同砌筑砂漿。縱筋進入混凝土墻柱長度宜符合錨固要求,縱筋宜采用單面焊接,長度不小于10倍縱筋直徑。當鋼筋砂漿帶碰上洞口時,應設至洞邊處;當縱橫兩個方向的鋼筋砂漿帶連接時應符合圖3.6.3要求:
圖3.6.3 沿砌體設置通長的鋼筋砂漿帶轉角處縱筋錨固大樣
3.6.4 通長窗的窗臺下宜按3.6.1要求設置抗裂柱。通長窗的窗臺處宜設鋼筋混凝土壓頂。壓頂截面尺寸、配筋、縱筋進入混凝土墻柱內長度以及壓頂混凝土強度等級由設計確定。縱橫向壓頂連接處縱筋錨固宜符合圖3.6.3要求。
3.6.5 墻高超過4m時,在墻的半高處宜設置與混凝土墻柱連接且沿全墻貫通的鋼筋混凝土水平系梁。水平系梁的截面尺寸、配筋、縱筋進入墻柱長度以及混凝土強度等級由設計計算確定。
3.6.6 洞口上下未設置主體結構水平構件處,當洞口寬度大于2m時,宜設置洞底壓頂和洞頂過梁,其截面尺寸、配筋以及縱筋進入支座長度以及混凝土強度等級由設計確定,如圖3.6.6所示:
圖3.6.6 洞口寬度大于2m時設置洞底壓頂和洞頂過梁示意
3.6.7 洞頂未設置主體結構水平構件處,當洞頂凈寬大于0.6m但不大于2m時,宜在洞頂處設置預制或現澆C20的鋼筋混凝土過梁。過梁的截面尺寸及配筋按設計計算確定,混凝土強度等級不宜低于C20,兩端伸進砌體內各不小于0.4m,如圖3.6.7所示:
圖3.6.7 洞頂過梁設置示意
3.6.8 洞頂未設置主體結構水平構件處,當洞頂凈寬不大于0.6m時宜設置鋼筋砂漿過梁,砂漿厚30mm,砂漿品種、性能同砌筑砂漿,配3φ6縱筋(砌塊寬度不大于0.15m時用2φ6),縱筋兩端伸進砌體內各不小于0.4m,端部彎直鉤50mm平放。如圖3.4.8所示:
圖3.6.8 洞頂設置鋼筋砂漿過梁示意
3.6.9 位于外墻的外窗臺等洞底當凈寬不大于0.6m、或位于內墻的內窗臺等洞底當凈寬不大于2m時,宜在洞底設置鋼筋砂漿帶,砂漿厚30mm,砂漿品種、性能同砌筑砂漿,配3φ6(砌塊寬度不大于0.15m時用2φ6)縱筋,縱筋兩端伸進砌體內各不小于0.4m,端部彎直鉤50mm平放。如圖3.6.9所示:
圖3.6.9 洞底設置鋼筋砂漿配筋帶示意
3.6.10 位于外墻的外窗臺等洞底,當凈寬大于0.6m且不大于2m時,宜在洞底下方設置現澆或預制的C20鋼筋混凝土板,現澆板底部的砌體表面刷一層聚合物水泥漿,預制板下鋪設水平灰縫厚度的砌筑砂漿。帶凸窗或挑出外墻面的窗臺板的承載力及穩定性由設計計算確定。不挑出外墻面的洞底鋼筋混凝土板的寬度同墻厚,厚度宜為0.1m,板兩端各伸進砌體內長度不應小于0.4m,配3φ10(砌塊寬度不大于0.15m時用2φ10)縱筋和φ6@300 筋,如圖3.4.10所示:
圖3.6.10 洞底設置鋼筋混凝土板示意
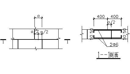
3.6.11 上下皮砌塊的豎向灰縫應相互錯開,相互錯開長度宜為0.3m,且不應小于0.15m。如不符合要求應按通縫處理,在水平灰縫處設置2φ6的拉結鋼筋,拉結鋼筋的長度不小于0.8m,端部彎直鉤50mm平放,如圖3.6.11所示。但豎向通縫仍不得超過兩皮砌塊。
圖3.6.11 豎縫錯縫長度不符合要求時設置拉結鋼筋示意
3.6.12 砌體和砌體中的混凝土水平構件、鋼筋砂漿帶與混凝土墻柱的連接應符合下列規定:
1 砌體與混凝土墻柱(含抗裂柱)連接處應每隔0.5~0.6m(與砌塊高度模數匹配)設置2φ6拉結鋼筋,伸進砌體內長度和混凝土墻柱中的長度如圖3.6.12所示。當采用后植筋時錨固長度應根據工藝試驗確定。
圖3.6.12 砌體與混凝土墻柱設置拉結筋示意
2 砌體中的混凝土過梁、水平系梁和壓頂以及鋼筋砂漿帶等砌體中水平向構件的縱向鋼筋進入混凝土墻柱中的長度,當設計未明確的宜符合下列要求:
⑴ 直徑大于12mm時宜用預埋方法錨固,錨固長度應符合《混凝土結構設計規范》GB 50010-2002要求;
⑵ 直徑不大于12mm時可采用后植筋,植入段長度應根據工藝試驗確定。
3 縱筋錨固工藝試驗應根據錨固力不小于鋼筋抗拉極限承載力的原則確定植入段長度。
4 直接在蒸壓加氣混凝土砌塊的砌體上面現澆鋼筋混凝土水平構件時,應在該構件的底部、砌體的表面刷一層聚合物水泥漿。
5 鋼筋混凝土水平系梁、過梁和壓頂設置后引起結構剛度的變化,應在結
設計中統籌考慮。
3.6.13 砌體頂部與混凝土梁板連接可采用圖3.6.13三個大樣之一:
圖3.6.13 砌體頂部與梁、板之間的連接示意
3.6.14 外墻找平層中宜滿掛鋼絲網,網絲直徑、網格尺寸應符合2.4.2要求。掛網可選擇下列(A)、(B)兩種方式之一,搭接長度不小于0.1m。
圖3.6.14 外墻外側掛網示意
3.6.15 外墻內側和內墻的找平層中在下列部分宜掛耐堿玻纖網,耐堿玻纖網性能應符合2.4.2要求,搭接長度不小于0.1m。
1 不同材料結合處,如圖3.6.15-1所示;
2 暗埋管線的孔槽處,如圖3.6.15-2所示;
3 洞口角部處,如圖3.6.15-3所示。
注:1、a≥200mm
2、1—砌體;2—耐堿玻纖網;3—梁;4—柱
圖3.6.15-1 外墻內側及內墻側砌體與混凝土梁柱相接處掛耐堿玻纖網示意
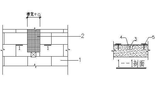
注:1、1—砌體;2—耐堿玻纖網;3—暗埋管;4—填充砂漿;5—鋼釘
2、a≥200mm
圖3.6.15-2 砌體內暗埋孔槽掛耐堿玻纖網示意
圖3.6.15-4 外墻內側與內墻側洞口角部掛耐堿玻纖網示意


